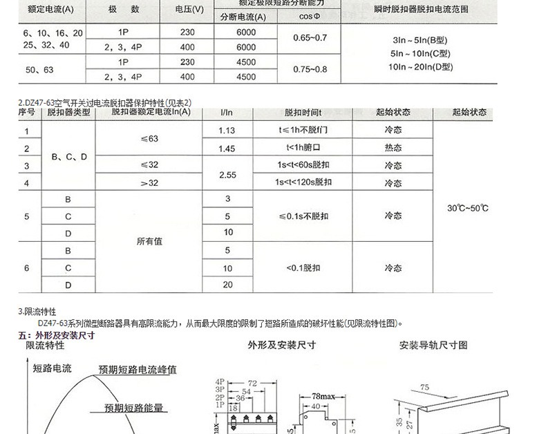
上海上民空气开关小型断路器DZ47-63A总电闸空开家用1P2P3P保护器

 
 
单价 面议对比
询价 暂无
浏览 54105
发货 北京付款后3天内
过期 长期有效
更新 2025-07-07 17:32
 
联系方式
加关注0

云展会网站管理系统

管理员第2年
资料通过认证
保证金未缴纳
  • 北京
  • 上次登录 03-27 10:11
  • 云展会网站管理系统 (先生)  
详细说明

上海上民空气开关小型断路器DZ47-63A总电闸空开家用1P2P3P保护器

举报收藏 0评论 0
更多>本企业其它产品
三次元振动筛小型不锈钢食品工业圆形震动分级筛选料筛分 机械设备 国标铝制拉铆钉抽芯铆钉铝铆钉圆头抽心柳钉开口形M2.4M3.2 M4M5mm 防火阀电动风量调节防火阀70℃常开防火阀不锈钢消防排烟防火阀 4022 4028数控龙门加工中心重型卧式数控铣床大型数控龙门铣床 非标治具夹腿重型弯臂机器人手工装治具EOAT配件夹具CD-A199 厂家供应全自动送料数控液压弯管机不锈钢方管圆管折弯机 弯弧机 全自动苹果去皮去核设备 雪梨罐头去皮脱核分瓣机 苹果片加工设备 半导体UV解胶机UV膜电子芯片晶圆紫外线led解胶机黏性 去除脱胶机